8 (800) 775 40 55
Звонок из регионов России
бесплатный!
бесплатный!
Профессиональный строительный инструмент и оборудование
Каталог инструментов
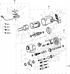
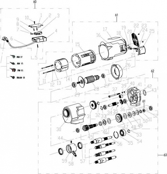
Установка алмазного бурения Saturn OB-205
Установка алмазного бурения Saturn OB-205 (Сатурн ОБ-205) предназначена для сверления круглых отверстий Ø 20 – 205 мм в бетонных, железобетонных, базальтовых, асфальтовых и других поверхностях под трубы вентиляции, теплоснабжения, водоснабжения и подобных коммуникаций.
Производитель: SATURN (САТУРН) – Россия.
Преимущества установки алмазного бурения Saturn OB-205:
- Корпус двигателя из алюминия хорошо отводит тепло во время работы
- Встроенная механическая и электронная защита от перегрузок
- Надежная алюминиевая стойка
- Небольшой вес
- Рукоятка для переноса
- Поставляется в картонной коробке
Цена и технические характеристики установки алмазного бурения Saturn OB-205:
Оборудование для алмазного бурения
- Установка алмазного бурения
- Установка алмазного бурения с микроударом
- Дрель алмазного сверления
- Дрель с микроударом для алмазного бурения
- Керноотборник для асфальтобетона
- Двигатель алмазного бурения
- Двигатель алмазного бурения с микроударом
- Станина для алмазного бурения
- Станина для алмазного бурения с микроударом
- Алмазные коронки
- Доп. оборудование к технике алмазного бурения
-
Алмазные коронки по железобетону Kern Diamond Bit Concrete Premium 85 ммДиаметр: 85 ммРабочая длина: 450 ммЦена: 10 000 руб.
-
V-образная регулируемая роликовая трубная опора Remmers Triton 1-12Диаметр труб: 25 - 300 мм (1" - 12")Цена: 25 000 руб.
-
Алмазная коронка для сухого бурения с микроударом Адель Diamond Hit DH-D401 200 ммДиаметр: 200 ммРабочая длина: 450 ммЦена: 18 400 руб.
-
Центратор для сварки стальных труб Remmers Bat A-1Диаметр труб: 20 - 76 мм (1" - 2 1/2")Вес: 2,3 кгЦена: 12 500 руб.
-
Алмазная коронка для сухого бурения с микроударом Адель Diamond Hit DH-D400 122 ммДиаметр: 122 ммРабочая длина: 450 ммЦена: 8 800 руб.
-
Ручной сварочный экструдер для сварки пластика Welping WP40HМощность: 1,3 / 3,4 кВтПроизводительность: 1,8 - 2,8 кг/чЦена: 184 653 руб.
-
Алмазная коронка для сухого бурения с микроударом Адель Diamond Hit DH-D400 112 ммДиаметр: 112 ммРабочая длина: 450 ммЦена: 8 000 руб.
-
Ручной гидравлический трубогиб Kern до 3 с закрытой рамойДиаметр труб: 21,3 - 75 мм (1/2" - 3")Толщина стенки труб: 2,75 - 5 ммЦена: 58 158 руб.
Новости
-
26.11.2025Новые поступления для серьёзной работы: спираль и адаптер от Crocodile
-
21.11.2024Поступление желобонакатчиков GruvMaster - Новинка на Российском рынке!
-
27.12.2023С новым 2024 годом!
-
20.12.2022Режим работы в Новогодние праздники
-
12.10.2022ФСБ сообщила о попытке теракта с ПЗРК «Игла» в Подмосковье










Отзывы
Оставьте Ваш отзыв